東莞市貢福電子有限公司
電話:0769-82391938
0769-81100206
傳真:0769-82391939
地址:東莞市寮步鳧山星銳工業(yè)園B棟3樓
呂先生:15622511589
小呂:15622511110
陳先生:18922960825
江小姐:18922960826
E-mail:lvbin@fuse168.com
E-mail:gf@gfefuse.cn
E-mail:sales@gfefuse.cn
E-mail:jsr@gfefuse.cn
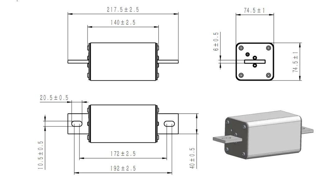
Dimensions (mm)
Connect | Part No. | Fuse Amps | Average @250KA/1500Vdc | Power Loss (W) | Approvals | |||
A2s Melting | A2s Clearing | 80% | 100% | ROHS | REACH | |||
Bolted | GFEVT1500-100BN-74E | 100A | 1150 | 4680 | 48 | 60 | ● | ● |
GFEVT1500-125BN-74E | 125A | 1750 | 8350 | 52 | 68 | ● | ● | |
GFEVT1500-160BN-74E | 160A | 3800 | 14000 | 68 | 90 | ● | ● | |
GFEVT1500-200BN-74E | 200A | 5200 | 23500 | 82 | 110 | ● | ● | |
GFEVT1500-250BN-74E | 250A | 10400 | 45000 | 92 | 120 | ● | ● | |
GFEVT1500-315BN-74E | 315A | 21238 | 76760 | 104 | 136 | ● | ● | |
GFEVT1500-350BN-74E | 350A | 29180 | 104691 | 113 | 148 | ● | ● | |
GFEVT1500-400BN-74E | 400A | 38468 | 136083 | 130 | 171 | ● | ● | |
GFEVT1500-450BN-74E | 450A | 54749 | 192815 | 143 | 187 | ● | ● | |
GFEVT1500-500BN-74E | 500A | 74371 | 259379 | 155 | 204 | ● | ● | |
GFEVT1500-550BN-74E | 550A | 93073 | 317075 | 169 | 221 | ● | ● | |
GFEVT1500-630BN-74E | 630A | 131578 | 437610 | 189 | 248 | ● | ● | |
GFEVT1500-700BN-74E | 700A | 182476 | 593977 | 202 | 273 | ● | ● | |
GFEVT1500-800BN-74E | 800A | 283377 | 893774 | 218 | 294 | ● | ● | |
GFEVT1500-900BN-74E | 900A | 408596 | 1247411 | 237 | 305 | ○ | ○ | |
GFEVT1500-1000BN-74E | 1000A | 546988 | 1605152 | 282 | 362 | ○ | ○ | |
GFEVT1500-1100BN-74E | 1100A | 751540 | 2129888 | 300 | 385 | ○ | ○ | |
GFEVT1500-1200BN-74E | 1200A | 991418 | 2779209 | 305 | 391 | ○ | ○ | |
*GFEVT1500-1250BN-74E | *1250A | 1121162 | 3162024 | 314 | 401 | ○ | ○ |
Connect | Part No. | Fuse Amps | Average @250KA/1500Vdc | Power Loss (W) | Approvals | |||
A2s Melting | A2s Clearing | 80% | 100% | ROHS | REACH | |||
Din | GFEVT1500-100UN-74E | 100A | 1150 | 4680 | 48 | 60 | ● | ● |
GFEVT1500-125UN-74E | 125A | 1750 | 8350 | 52 | 68 | ● | ● | |
GFEVT1500-160UN-74E | 160A | 3800 | 14000 | 68 | 90 | ● | ● | |
GFEVT1500-200UN-74E | 200A | 5200 | 23500 | 82 | 110 | ● | ● | |
GFEVT1500-250UN-74E | 250A | 10400 | 45000 | 92 | 120 | ● | ● | |
GFEVT1500-315UN-74E | 315A | 21238 | 76760 | 104 | 136 | ● | ● | |
GFEVT1500-350UN-74E | 350A | 29180 | 104691 | 113 | 148 | ● | ● | |
GFEVT1500-400UN-74E | 400A | 38468 | 136083 | 130 | 171 | ● | ● | |
GFEVT1500-450UN-74E | 450A | 54749 | 192815 | 143 | 187 | ● | ● | |
GFEVT1500-500UN-74E | 500A | 74371 | 259379 | 155 | 204 | ● | ● | |
GFEVT1500-550UN-74E | 550A | 93073 | 317075 | 169 | 221 | ● | ● | |
GFEVT1500-630UN-74E | 630A | 131578 | 437610 | 189 | 248 | ● | ● | |
GFEVT1500-700UN-74E | 700A | 182476 | 593977 | 202 | 273 | ● | ● | |
GFEVT1500-800UN-74E | 800A | 283377 | 893774 | 218 | 294 | ● | ● | |
GFEVT1500-900UN-74E | 900A | 408596 | 1247411 | 237 | 305 | ○ | ○ | |
GFEVT1500-1000UN-74E | 1000A | 546988 | 1605152 | 282 | 362 | ○ | ○ | |
GFEVT1500-1100UN-74E | 1100A | 751540 | 2129888 | 300 | 385 | ○ | ○ | |
GFEVT1500-1200UN-74E | 1200A | 991418 | 2779209 | 305 | 391 | ○ | ○ | |
*GFEVT1500-1250UN-74E | *1250A | 1121162 | 3162024 | 314 | 401 | ○ | ○ |
電話:0769-82391938 0769-81100206
傳真:0769-82391939
呂先生:15622511589 lvbin@fuse168.com
小呂:15622511110 gf@gfefuse.cn
陳先生:18922960825 sales@gfefuse.cn
江小姐:18922960826 jsr@gfefuse.cn